当前位置:321尖子 -> 一家之言 -> 论文一
邓卓辉(微信 15218291226,邮箱

基于引力场物质性的相对运动原理

如果影响阅读请点这里下载word原文

  摘要  假设引力场物质性是惯性运动和电磁传播的介质,真空中介电常数和磁导率与该处引力场物质性成正比,以此为基础成功地建立一套足以取代相对论体系的理论,广泛适用于高速运动和强引力场相关问题,目前仅仅需要实验检验理论的正确性。

关键词  标量引力场,惯性定律,光速,相对论,时空观念

 

三个与引力场相关的定义:a、矢量引力场:把引力场当作矢量对全宇宙物质进行积分,代表着通常说的引力场。b、标量引力场:把引力场当作标量对全宇宙物质(能量)进行积分,代表着该处引力场物质性的“浓厚程度”。这一定义并不意味着引力场本身具有标量性质,而是考虑物质、能量等效性,引力场具有能量因而也具有一定的质量,引力场是一种实实在在的物质,标量引力场反映该处引力场物质性“浓厚程度”的物理量。c、广义相对速度:这是一个按照一定规则相对全宇宙物质的平均速度,或者严格地,是一种相对该处引力场物质性的速度,为了描述的方便我们也可以称之为相对该处标量引力场的速度。这一速度我们压根儿不能通过统计的方法把它计算出来,甚至考虑到非实体物质能量的存在,以及度规理论,即认为物质具有广延性,引力场作为能量又在它附近激发引力场,它的数学表达式还需要更精确地修改,但这并不是很重要,重要的是这一速度概念不依赖参照系的选择,具有独立而唯一的值,它仅仅决定于宇宙中物质的存在位置及相对运动状况。

a.     b.     c.

高速运动对物理事件的影响(狭义相对论相关现象)

1.1  相关假设

a.惯性定律假设:物体受到的作用力等于它的质量乘以广义相对速度对时间的变化率。

b.光速不变假设:真空中电磁传播的广义相对速度始终只与介电常数和磁导率有关。

c.静电力假设:静电力强弱既取决于两场源单位时间交换虚光子的数量,又取决于交换虚光子速率的几何平均值。

数学表述:a.     b.     c.

说明:a. 惯性定律假设相当于修改牛顿第一、第二运动定律:每个物体继续保持它的广义相对速度不变,除非有外力对它作用迫使它改变这种运动状态。在力的作用下,质点广义相对速度的变化与时间的比值和合力大小成正比,和质点质量成反比,广义相对速度的变化方向与合力方向相同。这一假设是马赫原理的继承和发展,即认为一切运动都是相对全宇宙物质进行的,物体的惯性并非物质自身的属性,它来自于宇宙中其它一切物质依据标量引力场对它作用的结果,与惯性密切相关的不是普通相对速度而是广义相对速度。

b. 正如大家知道的那样,麦克斯韦方程组可以得到真空中电磁波传播速度与光的传播速度相等,从而证实了光的电磁波本质。这里推广这一结论,认为真空中电场磁场传播速度都只与介电常数和磁导率有关,与其它因素无关,光是一种电磁波动,传播速度当然服从这一规律。这里特别之处是给速度概念加以物理实在性质,即认为与真空中介电常数和磁导率相关的不是任意的相对速度,而是相对该处标量引力场的速度,也就是相对宇宙中所有物质按照一定规则的平均速度,如果真空中介电常数和磁导率不变,真空中的所有与电、磁及光有关的传播速度都是广义相对速度不变。我们以大写字母“C”表示这一广义相对速度。

 c. 现代物理学认为,电磁相互作用是场源交换虚光子实现的,这一思想得到了静电力表达文本框:  图  1的有力支持,刚好表示虚光子以标准球形向外扩散。引入广义相对速度以后,我们得更加深刻地理解静电力。想象两电荷粒子一前一后以广义相对速度V运动,如图1。由于虚光子传播属于电磁场现象,传播的广义相对速度恒为C,也就是相对标量引力场速度恒为C,这对虚光子相对速度产生影响。图中A激发的虚光子相对引力场速度恒为C,因为B广义相对运动速度V的存在,A激发的虚光子相对B传播的速度就是,这一速度是传统思想的(C-V/C倍。同样地,B激发的虚光子相对A传播的速度是传统思想的(C+V/C倍。如果静电力与两粒子交换虚光子速率有关,表达式中就应当含有两个因式的乘积。取开方值得到,这样做一方面为了凑合狭义相对论表达式,另一方面也是取几何平均值的意思,即认为决定静电力强弱的一个因素是两场源交换虚光子速率的几何平均值。

文本框:  图  2另一方面考虑两场源单位时间交换虚光子的数量。由于某一时刻引起的虚光子总是相对引力场以速度C向外传播,同一时刻激发的虚光子空间分布总是标准的球壳形状,但时刻系列激发的虚光子球心并不重合,而是以速度V向前移动,于是出现图2形状的空间分布。图中可以看到粒子运动的前方虚光子传播范围较小,因而虚光子分布的线密度增大,反之粒子后方虚光子分布密度减小。但图1AB虚光子交换速率的倍数刚好是线密度倍数的倒数,即如果距离一定,线密度与线速率的乘积是一个恒量,所以两场源单位时间交换虚光子的数量只与相互距离有关,与两粒子广义相对运动是否无关。这样,根据表我们得到AB间静电力表达式表示在同等电荷、同等距离的情况下,电荷粒子广义相对速度为零的静电力。式子的含义是两电荷粒子相对引力场同步高速运动致使静电力在纵向方向上减小。

1.2 惯性参照系失去了其特殊地位

让我们分析马赫问题:地月状态平衡的一般见解认为,地球和月球之间存在着万有引力,并因为绕质心做圆周运动而存在离心作用,从而达到状态平衡;这一问题马赫提出了另一种见解,认为这个体系平衡可以理解为地球、月球处于静止状态,宇宙其它物质绕地月系统质心做圆周运动,对地球、月球产生离心吸引作用,抵消了地月的万有引力作用,从而达到状态平衡。

第二种见解中,由于选择了地月系统作参照系,相对速度,从而离心力。马赫问题毫不客气地揭露了用普通相对速度分析圆周运动问题可能出现的谬误,给我们一个重要启示,这就是离心力表达式中相对速度应该改用广义相对速度,从而该式变为。考虑到系统质心曳引运动的情况,该式改写为注意到考察点广义相对速度V和圆周中心广义相对速度V0都是矢量,你会发现,这一表达式理解圆周运动的离心力是十分恰当的。如果用极坐标和微分,我们可以把离心力表达式书写得更严格。事实上,广义相对速度概念针对惯性问题出现,这就决定了离心力表达式速度概念的更换,因为离心运动实质是一种加速运动,本质属于惯性问题,广义相对速度与坐标系的建立无关,有独立而唯一的值,从而离心力大小具有唯一性,这给我们分析问题带来方便和可靠。

1.3 高速运动对物体长度、质量及时间的影响

a. 长度缩短

设想原子以广义相对速度V运动,当电子与原子核连线和运动方向重合时,根据静电力假设,电子与原子核之间的静电力减小,这会不会影响它们之间的距离呢?这里有两个因素考虑,就是惯性和势能。量子力学的成功清楚地告诉我们,电子绕原子核的运动不能看作行星绕太阳的那种经典运动,而应当看作能量的量子化运动,所以我们在物质波波长尺寸附近,应当更注重能量而不是惯性。

横向方向上电子具有的势能

纵向方向上电子具有的势能

如果可以把电子的空间分布看作一个等势面,那么将有,即。这一式子表明原子纵向方向上由于广义相对运动被“压扁”了,纵向半径被压扁为横向半径的倍。注意到物质都是由分子、原子组成的,我们得到狭义相对论的一个相似结论:物体因为运动长度缩短了。表达式l表示物体以广义相对速度V运动时的纵向长度,l0表示物体不运动时纵向长度。

b. 质量增大

由麦克斯韦光动量表达式[1]和动量定义表达式)可以得到,我们只要注意以下两点,就可以得到质能方程:(1)根据物质属性要求,以光的广义相对速度C代替狭义相对论设想的光的普通相对速度c。(2)一般性的能量E取代光能El,一般性的质量m取代光的质量ml,即认为不仅光满足这一质能表达式,通常的粒子也满足这一表达式。爱因斯坦原来的推导也用同样的取代。[2]

有了质能方程,如果认为实体粒子具有的能量由“静能”和动能组成,便可以得到,而…,考虑到动能只是在低速时被验证了,这一表达式很可能只是物体具有真实动能的近似值,可能已经忽略了及后面的项,就可以认为是近似相等的,从而

c. 时间延缓

弹簧振子的振动周期,其中。如果弹簧振子沿其振动方向以广义相对速度V运动,它的质量m和电磁相互作用F将同时发生变化,但电磁相互作用强弱的变化是相对一定距离而言的,弹簧振子振幅的变化这里不作考虑,即长度l的变化这里不考虑,我们得到运动弹簧振子振动周期与静止弹簧振子振动周期的关系:

如果可以假设性地把这一表达式推广及原子的振动、粒子内部周期性变化,认为所有周期性的变化,都会因为广义相对运动而使周期变长,因而表现的时间就缩短了,也可以理解时间延缓的物理实在。

文本框:  
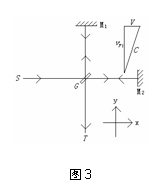
图3

1.5  迈克尔逊—莫雷实验

3是迈克尔逊—莫雷实验示意图,设实验装置沿x轴正方向以广义相对速度V运动。长度方面:由于整个装置可以旋转调换位置使用,横向长度和纵向长度的静态长度可以看作完全相等,但由于广义相对运动引起了收缩,物体在运动方向上缩短了,的实际长度已经不相等,。速度方面:轴方向上,光的广义相对速度恒为C,相对坐标系正向和反向速度分别是轴上的光速有必要参照示意图右上角的三角形。表示光沿方向相对测量仪器的相对速度,由于测量仪器沿轴方向广义相对速度的存在,光相对引力场的实际传播路径是斜边,即延斜边的光速恒为,故。根据对称性可知。有了长度方面和速度方面的分析,就可以证明光在实验装置上横向和纵向传播的时间相等,其引申意义是,无论实验装置广义相对速度多大,我们都不能通过类似实验检测光传播相对速度的改变,不能因为迈克尔逊—莫雷实验而肯定光传播相对任一参照系速度都是恒定不变的。

2  强引力场对物理事件的影响(广义相对论相关现象)

2.1 相关假设

以下假设仍然在想象中的理想刚性时空坐标系进行。

d. 介电常数和磁导率假设:真空中介电常数和磁导率与该处标量引力场成正比。

e. 等效原理假设:万有引力效果等同于加速运动效果。

数学表述:d.         e.     

说明:d. 根据介质可使介电常数和磁导率增大及场的物质属性,有理由推测真空中介电常数和磁导率与标量引力场有关,或者说与引力场“浓厚”程度有关,这里只是把这一可能大胆地加以想象,认为它们之间很可能具有线性关系。假设表达式结合光速不变表达式,容易得到,其中是一个常数,式子的含义是光在相等的时间内通过的标量引力场是一个恒定值

根据光速不变假设,真空中光速只与介电常数和磁导率有关,如果真空中介电常数和磁导率不变,光传播的广义相对速度就不变,这里假设真空中介电常数和磁导率也是变化的,它们随着引力场“浓厚”程度变化而变化,所以真空中光传播的广义相对速度也是变化的,我们以此理解“强引力场使无线电波传播延迟”这一物理事实。

e. 为了理解引力红移,我们必须认为万有引力与电磁相互作用在表达形式上不同,这里假定万有引力的传播不需要时间,或者万有引力场是相对静态的,是电磁场、强相互作用场得以存在的基础,后者是万有引力场加入某些介子形式能量的表现。这方面的论证依据还有量子力学的纠缠态,纠缠态粒子之间信息传递可以远远大于光速,甚至根本不需要时间,如果这与引力场有关,或者深一层地理解为依据引力场发生共振,那么就可能意味着引力的传递不需要时间。

根据普通的万有引力表达式并注意质能方程,我们得到等效原理表达式,这两个表达式意味着万有引力与加速运动效果完全等效,纵向加速的效果是万有引力场在广义相对速度方向上的分量决定着考察物体能量的改变,横向加速的效果是万有引力场在垂直于广义相对速度方向上的分量决定着考察物体运动方向的改变,即纯属改变物体的惯性表现。如果分析对象是光子,只要把第二表达式中的“V”改为“C”,并注意标量引力场变化对光速C的影响,定性分析就可以理解光的引力弯曲。

2.2 哪个天体对物体惯性及光速的影响更密切(标量引力场)

 

地球

太阳

白矮星

中子星

银河系

kg/m2

2.5

从粗略的数据知道,银河系质量尽管巨大,但由于相距甚远,对地球表面物质的惯性和光速影响甚微,与地球相比,大约相差11个数量级,那么,这是不是意味着近处星球对物体惯性的影响要比远处所有物质影响的总和要强烈得多呢?我认为不是这样,上述只是考虑银河系一个星系的影响,而哈勃望远镜已经发现宇宙中至少存在着一千二百五十亿个星系,尽管这里涉及宇宙物质的结构分布及宇宙物质是否无穷等未知问题,我们仍然可以估测远处宇宙中存在的大量天体物质对物体惯性的影响与一个星球对其表面物体惯性的影响是相当的,或者更重要。根据太阳附近雷达回波的延迟,甚至可以较为准确地估算宇宙远处大量物质(在太阳系附近)标量引力场大约在1017数量级:太阳直径km,据此估算雷达波经过太阳附近大约需要5s,往返则需要10s,而雷达回波在太阳附近大约延迟了,前者是后者的倍,所以估算太阳对其表面的标量引力场大约只占整个宇宙在该处标量引力场的分之一。(太阳对雷达波的引力弯曲作用致使雷达波传播了较长的距离,这也是延迟的一个原因,所以太阳标量引力场占宇宙标量引力场的比例应当更小。)

如果这一数据偏差不是很大,宇宙远处大量物质标量引力场的总和大约在数量级,这一数值比太阳和地球对其表面的影响大了许多,但与中子星等致密天体相比却有所不及,这样我们在地球表面附近认为光的广义相对速度恒定不变就是理所当然的了,只有在致密天体附近,或者在行星近日点非经典进动等精确计算,才有考虑标量引力场变化的必要。

由此还可以有更充分的理由修改惯性定律。因为地球在其表面的标量引力场只占宇宙物质在该处标量引力场很小的一部分,广义相对速度与普通的相对惯性参照系的相对速度对时间的变化率是非常接近的,即。如果承认牛顿第二运动定律,即,那么就有,别忘了牛顿运动定律出现了问题,这就使得有理由怀疑三者之间的等量关系,真正成立的可能是,而不是。进一步的依据是:(1是经验公式,由于实验误差的真实存在,实验数据不可能无限精确,只要足够地接近,我们就不能分辨,目前虽然实验验证了,而真正恒等的是,这具有可能性。(2)广义相对速度可以理解为按一定规则相对全宇宙物质的平均速度,它包含客观的物理实在内涵,即广义相对速度对应于考察物体在宇宙空间中相对标量引力场的特定运动,完全有可能与力联系得更密切。

2.3 光速可变问题

光速可变问题是辨证关系的典型问题,从速度的定义角度而言,普通相对速度意义上的光速与任何别的普通相对速度一样,是可变的,它们随着参照系的不同而不同,光速并没有任何特殊意义的地位,这点是本文理论与狭义相对论的重要区别,只有广义相对速度意义上的光速,也就是按照一定规则相对宇宙中所有物质的平均速度,才有不变的可能。

从是否可以忽略标量引力场变化的角度而言,光传播的广义相对速度无疑是可变的,在中子星表面附近等引力场很强的地方,标量引力场明显增大了,因而光传播变慢,甚至光传播得很慢,在通常情况下只需传播0.0001秒的距离,这里可能需要传播足足1秒,但我们同时注意到,在地球表面附近,甚至在太阳表面附近,标量引力场的变化都是十分微弱的,以致可以认为光在这里传播广义相对速度是不变的,只有在需要十分精确的数值计算,或者在致密天体附近,才有考虑光广义相对速度可变问题的必要。在这一意义上,本文理论与相对论在思想上是一致的。

2.4 强标量引力场对物体的系列影响

表达式:a.b.不变,c.d.

或者:a.b.不变,c.d.

式中下标“0”表示物体正处在较弱的普遍存在的标量引力场空间,或者代表着我们选择的参考点,下标“1”表示物体处在较强标量引力场空间,或者代表着我们的分析对象。

具体推导:

a. 静止质量增大。当广义相对速度时,物体具有的能量由决定,物体具有的能量E代表着实体物质内部场运动的激烈程度,无论处在什么样的引力场,都是不变的,如果标量引力场B增大了,光传播广义相对速度将减小,进而导致物体的静止质量增大。

b. 广义相对速度与光速同步变慢。物体广义相对速度不为零时具有的能量由决定,由于能量E和静能都不变,故不变,即不变,令,定义Q为速度V的品质因素。这里我们注意到,惯性定律假设和光速不变假设类似,只是一个近似性质的假设,在可以忽略标量引力场变化的空间环境中成立。考虑到,我们得到,其中,或者,物体惯性运动时是一个常数。表达式的引申意义是,如果物体保持惯性运动,它在相等的时间内通过的标量引力场是一个恒定值。有关惯性的本质问题,或者说粒子不受力时它是怎样知道自己应该如何运动的,人们一直未能很好地理解,现在由于我们认识到惯性运动与宇宙中所有物质的分布和运动状态有关,有关惯性的本质问题便可以得到了理解。

c. 电磁力变弱。根据电磁相互作用假设,静电力强弱与交换虚光子的速率有关,现在电磁场传播速度变慢了,两场源交换虚光子的速率减慢,在同等的距离,静电力相应减小。仿照高速运动时静电力的分析得到

d. 物体表现的时间延缓。仿照高速运动导致时间延缓现象的分析,由于物体静止质量及静电力都发生变化,我们得到强标量引力场导致弹簧振子振动周期延长的表达式。

文本框:  
图4
2.5  行星近日点非经典进动

考察图4表示的一个有趣的问题。大圆代表宇宙中远处大量物质,这里以它作参照系,小圆代表一个质量较大、逆时针方向自转的物体,例如太阳,在小圆和大圆的MN点之间有ABC三点。先假定ABC三点在坐标系中静止,即相对宇宙中远处的大量物质速度为零,那么定性分析得知,ABC三点广义相对速度都不为零,而是具有一个与 y轴负方向平行的广义相对速度,并且越接近M点广义相对速度在数值上越大()。

    现在假定ABC三点广义相对速度为零。广义相对速度为零要求ABC都有一个与 y轴正方向平行的不为零的速度,并且越接近M点速度越大,即 。显然,如果小圆代表的物体不自转,那么ABC 三点广义相对速度为零直接意味着,可见,来源于小圆代表的物体自转。把三个小质量物体分别放置在ABC处,姑且未考虑万有引力作用。站在大圆中的N点观察,我们意外地发现,原先从经典物理角度应该是静止的物体,现在竟然动了起来,它们绕着小圆旋转,并且越靠近小圆速度越大。这就是“大质量物体曳引周围物体旋转运动”现象。事实上,分析表明,物体运动,不管这种运动是转动还是平动,都有“曳引周围物体运动”这一现象存在。

  考虑万有引力作用及为了抵消万有引力所需作的圆周运动以后,曳引周围物体旋转现象依然存在,即由于与惯性直接相关的不是普通相对速度,而是广义相对速度,行星实际绕太阳运动的速度比按照经典力学计得的速度多出了一个与太阳自转方向相同的附加量,基于行星近日点非经典进动方向与太阳自转方向相同这一物理事实,可以推断这一速度的附加量至少部分地导致行星近日点非经典进动。

非经典进动是一个复杂而细致的问题,必须考虑标量引力场变化对运动的影响,由于VC同步变化,靠近太阳时,标量引力场增大了,导致光的广义相对速度C减小,也导致物体运动的广义相对速度V同步减小,这一过程也导致行星近日点非经典进动。因此这里的理论认为,行星近日点非经典进动同时由两部分因素决定,一是太阳强标量引力场曳引所致,这部分进动与太阳自转方向一致,二是标量引力场强弱的变化对广义相对速度V的影响,这部分进动与行星公转方向一致。至于哪一部分影响更重要,需要进一步的定量计算。

广义相对论对行星转动一周非经典进动的预言值是[4],根据表达式我们可以清楚地知道,广义相对论对非经典进动的预言没有涉及太阳的自转,也就是,即使太阳不自转,或者反向自转,其预言值是不变的,但这里的预言却与太阳自转密切相关,认为非经典进动部分地来源于太阳自转,如果太阳不自转或者逆向自转,非经典进动就会减弱,甚至出现逆向进动,据此,如果发射绕太阳逆向运动的飞行体,只要准确地观察非经典进动,就可以判断它的进动值与哪一理论相符。

2.6  标量引力场:电磁波动介质、粒子波动介质

历史上,狭义相对论的出现部分地来自电动力学波动方程在Galilean变换下的不协变,这一困难意味着必须为电磁波假设某种介质,同时假设Maxwell方程组只在这介质上的参照系成立,为了寻找这神秘介质的许多实验都失败了,从而导致狭义相对论的出现。本文光速不变假设和介电常数磁导率假设都是依据标量引力场作为介质提出的,如果这些假设正确,我们可以很自然地认为历史上要寻找的这一神秘介质就是标量引力场,Maxwell方程组只在相对标量引力场静止的这一特殊的惯性参照系成立.然而造物主就是那样神奇,他同时制造了高速运动可以引起物体长度缩短和振动延缓,这恰好使得Maxwell方程组在别的参照系中也可以得到同样的结果,例如迈克尔逊—莫雷实验永远不能测出光相对速度的改变,从而误导人们电磁波传播不需要介质。事实上电动力学波动方程在Galilean变换下的不协变,以及普通介质中光的传播速度表达式,正好说明电磁波也象普通的波动一样,是需要介质的。

电子双缝干涉实验很好地表明粒子运动具有波动性,这给人们无限的疑惑:为什么真空中会出现波动性呢?为什么会出现测不准原理呢?这些问题量子力学一开始便已经出现,直到现在还未解决。人们最初为了说明光学波动引入了以太,后来以太被排斥了,但这并没有结束,人们发现真空具有极化现象,即外界电荷会使真空物质的正负电荷偏离[3],以及其它的一些发现说明真空并非真正地空虚,而是具有复杂的结构。今天看来真空的物质属性正是标量引力场的物质属性,正是因为标量引力场无处不在,导致了真空具有极化现象,导致粒子运动的波动性。在电子双缝干涉实验中,只让电子一个个地通过,某一时刻只能通过其中一个孔,但电子运动在标量引力场中引起的波动同时通过了两个孔,因而干涉现象依然存在。唯一我们必须高度重视的是,电子在标量引力场中波动的能量和动量永远与电子自身运动联系在一起,波动能量和动量不会向外扩散而损耗。不仅电子的波动性可能来源于标量引力场,其它一切微观的波动性都可能来源于标量引力场,甚至量子力学的许多性质都可能来源于此,标量引力场既是宏观效应产生的原因,又是微观效应产生的原因,有了这些共同的因素,宏观物理理论和微观物理理论有可能结合成为一个整体,物理学不再分裂。

检验理论正确性的两个待做实验

实验一:实验依据是太阳自转是否影响行星近日点非经典进动,可以发射绕日逆向飞行体检验,也可以纯属计算检验,即同时考察多个行星非经典进动相互验证。由已知的水星近日点非经典进动值(观测值)、以及太阳质量及自转等,计算远处物质对惯性的影响,再利用这一结果反过来计算金星、地球等行星近日点非经典进动,看其是否与客观实际相符。资料表明,广义相对论对各大行星近日点非经典进动的预言值存在一定程度的偏差[5],而我期望本文理论可以得到偏差更小的数据。

实验二:实验依据是粒子衰变周期的延长究竟是相对考察者高速运动引起的,还是相对全宇宙大部分物质高速运动引起的,也就是时间延缓究竟是不是一件“真实”的事情。把足够细微的观测装置加速到接近光速的速度,然后让它观测我们的时间,或者让它观测与我们相对静止粒子的衰变寿命,看看是变慢了还是变快了。狭义相对论由于强调的是两个物体之间的相对运动,忽视宇宙中存在的任何别的物质,得到的结论只能对方的时间变慢,即我们表现的时间变慢了。而本文理论认为惯性来源于宇宙中所有物质依据标量引力场对考察物质的影响,物体振动延缓(表现出时间延缓)是因为相对标量引力场高速运动引起的,所以无论选择哪个观测者,得到的结论都是粒子时间延缓了,而我们的时间几乎不变,或者说我们的时间相对粒子的时间变快了。尽管实验需要的条件非常苟刻,但相信只要许多人共同努力,这一实验已经具有可能,我对这一实验充满了期望。

参考文献

[1][2]《爱因斯坦及相对论》,宓正,科学出版社,1999.2P56P 57

[3]《物理之谜》,杨宗书,文淮出版社,1988.12

[4]《爱因斯坦文集》第二卷,商务印书馆,1976.1P277

[5]《广义相对论引论》,俞允强,北京大学出版社,1997.2P98;《时空物理纵横》,魏风文,P379